首页 > 产品大全 > 深圳市捷瑞普电子科技 USB AF 180度DIP连接器的专业生产与销售

深圳市捷瑞普电子科技 USB AF 180度DIP连接器的专业生产与销售

深圳市捷瑞普电子科技 USB AF 180度DIP连接器的专业生产与销售

在电子连接器领域,USB接口的多样化和专业化需求日益增长。深圳市捷瑞普电子科技有限公司作为一家专业的连接器生产销售厂家,其推出的USB AF 180度DIP连接器,以其独特的设计和可靠的性能,在市场上备受关注。

产品概述:USB AF 180度DIP连接器

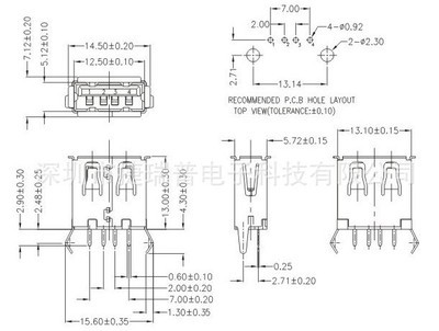
USB AF(A型母口)180度DIP连接器,是一种采用直插(DIP)封装方式、接口方向呈180度平贴设计的标准USB A型母座。这种设计使其能够平行于电路板(PCB)安装,有效节省垂直空间,特别适用于对设备厚度或内部空间布局有严格要求的应用场景,如超薄设备、智能硬件、工控模块及各类嵌入式系统中。

核心优势与特点

  1. 空间节省设计:180度平贴式结构,显著降低产品整体高度,为紧凑型设备设计提供了极大便利。
  2. 可靠连接:遵循通用USB标准,确保与各种USB A型公头设备的稳定连接与数据传输。
  3. 坚固耐用:通常采用优质塑胶(如PBT)与磷青铜镀金端子制作,具有良好的耐插拔性、电气性能和抗腐蚀能力。
  4. 焊接稳定:DIP直插引脚便于通过波峰焊或手工焊接牢固固定在PCB上,提供强劲的机械支撑力。
  5. 广泛兼容:完全兼容USB 2.0规范,支持数据传输和充电功能。

深圳市捷瑞普电子科技——您的可靠合作伙伴

作为该产品的生产销售厂家,深圳市捷瑞普电子科技在连接器行业积累了丰富的经验和技术实力。公司不仅提供标准型号产品,还能根据客户的特殊需求,在尺寸、颜色、镀层(如镀金或镀锡厚度)以及电气参数等方面提供定制化解决方案,灵活响应市场。

价格与采购考量

关于产品价格,它并非固定不变,而是受到采购数量、具体规格参数(如电流额定值、镀层类型)、定制化要求以及市场原材料成本波动等多重因素影响。捷瑞普电子科技通常遵循“量大从优”的原则,为客户提供具有市场竞争力的价格。对于准确的报价,建议直接联系厂家销售部门,提供详细的需求以获取针对性报价单。

产品图片与视觉确认

清晰的产品图片对于识别和确认规格至关重要。捷瑞普电子科技会通过官方网站、产品目录或直接向询盘客户提供高清的产品图片,展示连接器的正面、侧面、引脚细节及尺寸图,确保客户在采购前能准确了解产品外观和结构。

应用领域

USB AF 180度DIP连接器广泛应用于:

  • 超薄笔记本、平板电脑扩展坞
  • 智能电视、机顶盒、游戏主机
  • 工业控制板、自动化设备
  • 网络通信设备(如路由器、交换机)
  • 医疗仪器、测量设备
  • 消费类电子产品内部板对板连接

总而言之,深圳市捷瑞普电子科技生产和销售的USB AF 180度DIP连接器,是一款以节省空间为核心优势的实用型组件。凭借厂家的专业生产实力、灵活的服务策略以及对品质的把控,该产品能为各类电子产品的设计开发提供可靠且高效的连接解决方案。对于有具体需求的客户,直接与厂家取得联系是获取最优价格、准确规格书和完整技术支持的最佳途径。

如若转载,请注明出处:http://www.ioamdau.com/product/24.html

更新时间:2026-04-16 20:02:38